上 海 正 源 实 业 有 限 公 司

KLIXON®

美国德州仪器一级专业代理商

传感控制器:销售与技术支持

产品导航
热保护器
(小型)
热保护器
电流温度双重
温控开关
(敞开式)
突跳式
温控开关
直流电机
保护器
温度保险
(熔断丝)
产品应用 熔断器 固态
继电器
  主页   公司简介 产品介绍   联系方式 上海正源网址

 

KLIXON®

  √    美国德州仪器 KLIXON ®是全球生产传感器和控制器品种最齐全、产量最大的国际著名品牌,对产品质量具有信用保障。
  上海正源实业有限公司是其
   一级专业代理商(
有授权书
电机用热保护器
--产品系列 (一)

密封式热保护器

3HM系列

14HM系列

15HM系列

  16HM系列

18HM系列

小型热保护器

电流温度双重保护器

温度开关(开放式)

突跳式温控开关

温度保险丝

车用电机过载保护器

三相电机热保护器

密封式热保护器

电机启动器

热保护器的产品应用

 √   KLIXON ® 传感器和控制器有九十多年历史,在亚洲、欧洲和美国都有产品制造工厂和研究开发中心,有齐全的产品安全认证书。
  上海正源实业有限公司是其
  一级专业代理商 (
有授权书
KLIXON ®  联系我们:
电话:   021-  54560423 

 64457980、64734520

传真:   021- 64734520
经理手机:  13003155936 
上海市茂名南路133弄5号

peter@zyelectric.com.cn

(电子邮箱-1): 陈经理

sun@zyelectric.com.cn

(电子邮箱-2): 孙小姐
  美国德州仪器     产品首页热保护器的应用 热保护器(密封式)  3HM 系列

  3HM 密封式热保护器

(一)特性: 
     3HM  密闭式电机保护器,玻璃封口头部与钢制外壳焊接,确保密封。可用于高压腐蚀性环境中工作的商用电机,是美国德州仪器KLIXON ® 技术生产,适用于,如: :各种电机、潜水泵、制冷压缩机...等。

工作设计原理如下

 1温度保护原理:
      
3HM  热保护器能够精确控制电器温度。电流通过KLIXON ® 双金属簧片,当电器不能正常工作,使周围的温度过高时,热保护器的双金属簧片断开银触点,使电器得到保护。当热保护器冷却到安全温度时,触点自动闭合复位。

跳脱
温度选择范围:90 ~175
2大电流过载保护原理:
    
3HM  热保护器 中的辅助加热片与双金属片匹配在一起。具有精确控制过载电流跳脱时间的作用。当电机处于电流过大或堵转电流超过热保护器设定的跳脱值时,保护器能瞬间切断电路,使电器得到保护。
 

(电流过载跳脱值
设计范围:3A ~80A

A = 双金属碟片
B = 辅助 加热片

  

3HM 热保护器 中的KLIXON® 双金属簧片与附在下面的辅助发热片串联,以增加对电流变化的灵敏度。

( 三)电气规格:
额定电压  125 V /240V- AC 
电流跳脱值设计范围
(按用户要求设计)
3A ~80A
跳脱时间 4 ~ 10s  秒
外形结构: 密闭式   ( 可真空浸漆)
( 四)温度范围:

动作温度系列:

  90℃ ~175 (每 5℃一个规格)

动作温度公差:

±5

开关状态:

  自动复位

( 五)应用范围:
  电动工具、搅拌机、潜水泵、高压清洗机 ...
  分相马达、电容起动马达、 ....
●  洗衣机、吸尘器、镇流器、变压器 ...
 ... 还有更多广泛.应用。
( 二) 优点: 
  美国德州仪器公司成立的森萨塔科技工厂生产的KLIXON ®  品牌传感器与控制器。此著名品牌已有九十多年的历史,生产传感器和控制器品种最齐全、 产量最大、品质顶级 、价廉质优,质量具有信用保障。(产品在亚洲、欧洲和美国有制造工厂和研究开发中心
 工厂拥有先进的动能实验室,能根据客户的电机等性能,为客户提供最佳的3HM热保护器样品选择和应用的测试服务,并可按要求提供测试报告
 3HM热保护器适用于125V 250V 交流电机在过载、堵转、或短路过流情况下的保护。可按客户要求,设定过载跳脱电流值,最高可达80 A(安培)
 3HM热保护器密闭式结构 ,适用 如:潜水泵电机、潜油泵 、制冷压缩机.....等。( 可真空浸漆)
具备有同时感应电流及温度而动作之双重保护性能;
通过各国安全认证:ULCSAVDEENEC(欧盟)KEMACQC …证书 , 及符合欧盟 ROHS环保要求。

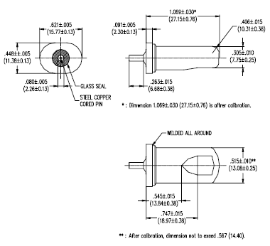
      3HM  ( 产品尺寸图 )

 

外形尺寸 ( ×宽×长)

      7. 5 ×13×  27mm

 

 

      产品首页KILXON ® 联系我们
         上海正源实业有限公司>>> 美国德州仪器公司一级专业代理商 ( 有授权书 )

联系我们:

TEL(电话):  021-  54560423 、64457980    FAX(传真): 
  021- 64734520
                                64734520  、64482182

                                              陈经理手机):  13003155936

电子邮件地址:
E-mail

电子邮箱 -1:  陈经理   peter@zyelectric.com.cn   
电子邮箱 -2 :  孙小姐    sun@zyelectric.com.cn

                                在线联系(QQ)

吴先生  QQ :   231595676
电子邮箱 -3 :  吴工    wu@zyelectric.com.cn

                                         公司地址:

  上海市茂名南路 133 5 号    邮编: 200020

                                               网址:   

   http:/www.zyelectric.com.cn/