上 海 正 源 实 业 有 限 公 司

KLIXON®

美国德州仪器一级专业代理商

传感控制器:销售与技术支持

产品导航
热保护器
(小型)
热保护器
电流温度双重
温控开关
(敞开式)
突跳式
温控开关
直流电机
保护器
温度保险
(熔断丝)
产品应用 熔断器 固态
继电器
  主页   公司简介 产品介绍   联系方式 上海正源网址

 

美国德州仪器    产品首页 热保护器 (小型)  6600//67006700  温控开关

AIRPAX®

  √    美国德州仪器 AIRPAX®是全球生产传感器和控制器品种最齐全、产量最大的国际著名品牌,对产品质量具有信用保障。
  上海正源实业有限公司是其
   一级专业代理商(
有授权书
温度和电流控制器

--产品系列 (一)

6600//6700温控

6600 温控开关

6700 温控开关

点击这里回到首页
温度和电流控制器

--产品系列 (二)
热保护器 ( 小型)
热保护器(电流温度双重)
突跳式温控开关
直流电机过载保护器
温度开关(开放式)
温度保险丝
热保护器的产品应用
 √    ® 传感器和控制器有九十多年历史,在亚洲、欧洲和美国 都有产品制造工厂和研究开发中心,有齐全的产品安全认证书。
  上海正源实业有限公司是其
  一级专业代理商 (
有授权书
AIRPAX  ®  联系我们:
电话:   021-  54560423 

 64457980、64734520

传真:   021- 64734520
经理手机:  13003155936 
上海市茂名南路133弄5号

peter@zyelectric.com.cn

(电子邮箱-1): 陈经理

sun@zyelectric.com.cn

(电子邮箱-2): 孙小姐
AIRPAX ®

6700 系列 温控开关---
PC、电路板焊接式

(一) 特性: (6700 )温控开关
 6700系列温控开关是美国德州仪器 AIRPAX ® 专有技术设计,采用电路板焊接式主要是有直接的安装支架,使该保护器的表面理想地与贴装面积及周围空气进行热传感。
 6700系列温控开关采用TO-220封装形式突跳式的,单极/掷的触点的100%导通结构,当外界温度过高时,传递到经校正过的双金属片便迅速动作,这样切断或接通电路(常闭或常开两种),当温度下降到复位温度时,双金属片又迅速复位,使品质长期稳定。
(选择温度跳脱范围:40 ~ 130  ±5
(二) 技术参数   (6700 )温控开关
动作寿命 额定电压

电流

30,000 次 120V--AC  1A
30,000 次  48V-DC  1A
100,000 次 5V-DC 0.001A ~0.020A
跳脱温度选择范围:
40℃~130  (5一种规格)
标准公差:± 5℃
工作环境温度:
-55℃ ~
160℃ 短时最高温度:260℃ 10秒)
电气设计:外壳绝缘
触点型式: 常开或常闭两种
封装形式: TO-220  金属支架 塑料支架VDE
安装方式: PC、电路板焊接式
触点电阻: < 50mΩ
绝缘值 >100MΩ 500VDC)
绝缘强度:1500VDC60Hz 
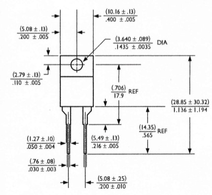
外形尺寸总长×宽×厚 28.7× 10 ×4. 7mm
(三) 优点: (6700 )温控开关
AIRPAX ®是全球生产传感器和控制器品种最齐全、 产量最大的国际著名品牌之一,对产品质量具有信用保障。
 热传导性强,主要是有直接的安装支架,使该保护器的表面理想地与贴装面积及周围空气进行热传感 。
ULVDE 标准)
AIRPAX ® 6700系列是一个微型双金属温控开关,提供准确和可靠的热传感和开关的元器件,具有优良的重复性
   该温控开关的能力强、寿命长,最多1A 48VDC120 VAC30,000周期,并实现了低电流0.001A ~ 0.020A5VDC100,000周期。
6700系列温控开关的尺寸符合国际标准的产品包装Y220 / TO-220 。因此,6700可以使用高速自动化设备进行自动放置和焊接到PC板。
  AIRPAX ® 6700系列适合用于对拥挤的PC板。典型的用途包括电路过热时的报警或关闭系统等。应用范围包括电脑及电脑周边设备,飞机,汽车,医疗设备和测试设备,电源供应器等。
 6700系列是密封的可以承受波峰焊和清洗行动
 通过安全认证:ULCSAVDECQC 符合欧盟ROHS环保要求。

6700  ( 产品尺寸图 )

    

(四)应用 :6700温控开关能对以下方面防止过热
  PC电子线路板.
  电气设备、通讯设备;
  电子产品
  家用电器
电源供应器
 飞机,汽车,医疗设备和测试设备。
6700 系列 编号与工作温度对照表
    动作温度公差±5℃
跳脱温度 常闭型 常开型
40℃ 67L040 67F040
45℃ 67L045 67F045
50℃ 67L050 67F050
55℃ 67L055 67F055
60℃ 67L060 67F060
65℃ 67L065 67F065
70℃ 67L070 67F070
75℃ 67L075 67F075
80℃ 67L080 67F080
85℃ 67L085 67F085
90℃ 67L090 67F090
95℃ 67L095 67F095
100℃ 67L100 67F100
105℃ 67L105 67F105
110℃ 67L110 67F110
115℃ 67L115 67F115
120℃ 67L120 67F120
125℃ 67L125 67F125
130℃ 67L130 67F130
 

 

 

      产品首页KILXON ® 联系我们
         上海正源实业有限公司>>> 美国德州仪器公司一级专业代理商 ( 有授权书 )

联系我们:

TEL(电话):  021-  54560423 、64457980    FAX(传真): 
  021- 64734520
                                64734520  、64482182

                                              陈经理手机):  13003155936

电子邮件地址:
E-mail

电子邮箱 -1:  陈经理   peter@zyelectric.com.cn   
电子邮箱 -2 :  孙小姐    sun@zyelectric.com.cn

                                在线联系(QQ)

吴先生  QQ :   231595676
电子邮箱 -3 :  吴工    wu@zyelectric.com.cn

                                         公司地址:

  上海市茂名南路 133 5 号    邮编: 200020

                                               网址:   

   http:/www.zyelectric.com.cn/