上 海 正 源 实 业 有 限 公 司

KLIXON®

美国德州仪器一级专业代理商

传感控制器:销售与技术支持

产品导航
热保护器
(小型)
热保护器
电流温度双重
温控开关
(敞开式)
突跳式
温控开关
直流电机
保护器
温度保险
(熔断丝)
产品应用 熔断器 固态
继电器
  主页   公司简介 产品介绍   联系方式 上海正源网址

 

KLIXON®

  √    美国德州仪器 KLIXON ®是全球生产传感器和控制器品种最齐全、产量最大的国际著名品牌,对产品质量具有信用保障。
  上海正源实业有限公司是其
   一级专业代理商(
有授权书
电机用热保护器
--产品系列 (一)

三相电机热保护器

34HM 系列
37MP 系列
三相 MW、CW 系列
温度和电流控制器

--产品系列 (二)
热保护器 ( 小型)
热保护器(电流温度双重)
突跳式温控开关
直流电机过载保护器
温度开关(开放式)
温度保险丝
热保护器的产品应用
√   KLIXON ® 传感器和控制器有九十多年历史,在亚洲、欧洲和美国都有产品制造工厂和研究开发中心,有齐全的产品安全认证书。
  上海正源实业有限公司是其
  一级专业代理商 (
有授权书
KLIXON ®  联系我们:
电话:   021-  54560423 

 64457980、64734520

传真:   021- 64734520
经理手机:  13003155936 
上海市茂名南路133弄5号

peter@zyelectric.com.cn

(电子邮箱-1): 陈经理

sun@zyelectric.com.cn

(电子邮箱-2): 孙小姐
  美国德州仪器   产品首页 热保护器 ( 电流温度双重保护) 三相电机热保护器   34HM

34HM 三相热保护器

  34HM系列 三相电机热保护器 美国德州仪器KLIXON ®专有技术生产,具有同时精确控制温度和电流过载的保护元件,可以保护三相电动机不受过热造成的损坏,(这些状态包括: 缺相,转子锁住,插头功率,失速或起动失败,大功率过载,环境温度高和无法通风。)具备非常精确的跳闸时间,性能可靠,自动复位
(一) 应用: ( 34HM)能对以下应用防止过热
适用于任何的三相电机。
 潜水泵、潜油泵
 制冷压缩机、
  保护1至6HP的星形绕组电机。
(二)  技术参数  34HM35HM  三相电机热保护器

选择动作温度范围:

            100 ~180

系列

额定电压 AC

过载电流跳脱值
选择
范围

34HM  230V / 460V / 575V  3 ~ 105A
35HM  230V / 460V / 575V 3 ~ 240A

动作寿命

 10,000次   (1万次)

保护对象:

  任何Y型(星形)连接线圈的三相电机

开关状态:

  自动复位

外形结构:

 密闭设计

外形尺寸 (高×宽×长)

     14× 26 × 28 mm

(一) 设计及动作原理    34HM三相电机热保护器
   温度保护原理:
  ●
 34HM系列三相电机热保护器 能紧密直接安装在电机绕组上当电机不正常工作使周围(线圈绕组)温度过高时,热保护器的KLIXON ®双金属簧片断开3个银触点,使电机得到保护。热保护器冷却到安全温度时,触点自动闭合复位,电动机重新起动。
跳脱温度选择范围:100~180
      准确的电流过载保护原理:
  ●
34HM系列
三相电机热保护器 三个电阻发热丝与双金属片匹配在一起 ,具有精确控制过载电流跳脱时间的作用。当三相电机发生(缺相,转子锁住,插头功率,失速或起动失败...等),使电流过大或堵转电流超过热保护器设定的跳脱值时,保护器能 及时切断电路,使电器得到保护。
(过载电流跳脱值
选择范围:
3 A105A
34HM三相电机热保护器电路示意图

(三) 特性与优势:   34HM三相电机热保护器
 KLIXON ® 是全球生产传感器和控制器品种最齐全、产量最大的国际著名品牌,对产品质量具有信用保障。
34HM系列 三相热保护器 可同时对电流和温度变化均非常敏感,具有高度的设计灵活性
  34HM系列的设计可以保护电动机不受过热造成的损坏,这些状态包括:缺相,转子锁住,插头功率,失速或起动失败,大功率过载,环境温度高和无法通风。具备非常精确的跳闸时间
  34HM系列内藏式密闭设计,包括阻发热丝KLIXON ®金属片,3个银触点。精确控制过载电流 和温度,最高可达 105 A(安培),保护 Y型连接线圈的任何三相电动机,如:压缩机电机、潜水泵....
  可以用于保护 1马力 到 6 马力通用电动机,商用和工业电动机。
 34HM系列设计通过简单紧凑经济的外形有效的降低安装成本
通过国 际安全认证:ULCSAVDEENEC(欧盟)KEMACQC …证书 , 及符合欧盟 ROHS环保要求。
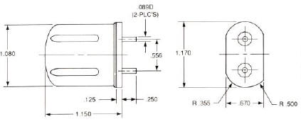
34HM三相电机热保护器(产品尺寸图 )

 连接Y三相绕组中点的第3导线连接根据顾客要求焊接设置
 保护器定位以肋槽面面向电机绕组
 
   

 

      产品首页KILXON ® 联系我们
         上海正源实业有限公司>>> 美国德州仪器公司一级专业代理商 ( 有授权书 )

联系我们:

TEL(电话):  021-  54560423 、64457980    FAX(传真): 
  021- 64734520
                                64734520  、64482182

                                              陈经理手机):  13003155936

电子邮件地址:
E-mail

电子邮箱 -1:  陈经理   peter@zyelectric.com.cn   
电子邮箱 -2 :  孙小姐    sun@zyelectric.com.cn

                                在线联系(QQ)

吴先生  QQ :   231595676
电子邮箱 -3 :  吴工    wu@zyelectric.com.cn

                                         公司地址:

  上海市茂名南路 133 5 号    邮编: 200020

                                               网址:   

   http:/www.zyelectric.com.cn/