上 海 正 源 实 业 有 限 公 司

KLIXON®

美国德州仪器一级专业代理商

传感控制器:销售与技术支持

产品导航
热保护器
(小型)
热保护器
电流温度双重
温控开关
(敞开式)
突跳式
温控开关
直流电机
保护器
温度保险
(熔断丝)
产品应用 熔断器 固态
继电器
  主页   公司简介 产品介绍   联系方式 上海正源网址

 

KLIXON®

  √    美国德州仪器 KLIXON ®是全球生产传感器和控制器品种最齐全、产量最大的国际著名品牌,对产品质量具有信用保障。
  上海正源实业有限公司是其
   一级专业代理商(
有授权书
温度和电流控制器

--产品系列 (一)

突跳式温控开关

突跳式温控开关

1NT-01系列

1NT-08系列

3NT系列

20600系列

突跳式温控开关(PC板安装)

6600 系列

6700 系列

点击这里回到首页
温度和电流控制器

--产品系列 (二)
热保护器 ( 小型)
热保护器(电流温度双重)
突跳式温控开关
直流电机过载保护器
温度开关(开放式)
温度保险丝
热保护器的产品应用
 √   KLIXON ® 传感器和控制器有九十多年历史,在亚洲、欧洲和美国都有产品制造工厂和研究开发中心,有齐全的产品安全认证书。
  上海正源实业有限公司是其
  一级专业代理商 (
有授权书
KLIXON ®  联系我们:
电话:   021-  54560423 

 64457980、64734520

传真:   021- 64734520
经理手机:  13003155936 
上海市茂名南路133弄5号

peter@zyelectric.com.cn

(电子邮箱-1): 陈经理

sun@zyelectric.com.cn

(电子邮箱-2): 孙小姐
美国德州仪器       产品首页突跳式温控开关  3NT 突跳式温控开关防潮、防腐蚀)

3NT 密封式温控开关 (防潮、防腐蚀)

(一) 特性:  3NT 突跳式温控开关
  ● 3NT系列防潮式温控开关是美国德州仪器KLIXON ®专有技术设计,采用KLIXON ®双金属片,和独特的防潮密封设计,是非常先进的以至于它使其他所有同类产品成为过时的产品
  ●  3NT系列防潮式温控开关,采用单闸双触点的100%导通结构,当外界温度过高时,传递到经校正过的KLIXON ®双金属片便迅速动作,这样切断了电通路,当温度下降到复位温度时,双金属片又迅速闭合,使品质长期稳定。

( 选择温度跳脱范围:- 40 ~ 240  ±3. 5℃ )  
  ●  3NT系列突跳式温控开关可用于世界上各种应用。能保证许多电器的发热、制冷产品正确安全工作。  
二) 技术参数  3NT 突跳式温控开关

选择动作温度范围:

- 40... 240 ±3. 5
电气容量 动作寿命
 13. 5A / 250 V-- AC ( 自动复位) 10,000次  
(10万次)

17A / 250 V--AC 
 
( 自动复位
根据需要)

绝缘值:

   >100MΩ

外形结构:

  密封 (  水、灰尘、漏油 、化学物等影响)

外形尺寸( 直径φ )

     21 mm

(三) 优点:   3NT 突跳式温控开关
  3NT系列防潮式温控开关特殊的干燥密封方式能保护开关不受恶劣环境如漏水、灰尘、漏油 、化学物等影响,不需要使用环氧或其衍生物,减少开关次数,降低对环境的要求。
 有精选的O环材料可供选择,能确保当暴露在各种温度和化学物质中时,金属罩杯和保护性PBT外壳能长久密封。硅胶索环密封住所有导线,在汽车领域、制冷、暖通...等中有多年应用,效果良好
我们将提供各种规格的接线端子、导线和安装构件,使客户能更灵活地设计和选择自己需要的产品。为了便于在铜管或铝管上的安装, 3NT防潮式温控开关采用特殊管状安装托架设计,能提供出色的滞留性及快速的响应时间。无需修改温控器的台座,我们将提供各种大小规格的不锈钢管状安装托架,以便客户选择。
通过各国安全认证:ULCSAVDEENEC(欧盟)KEMACQC …证书 , 及符合欧盟 ROHS环保要求。
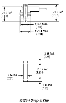
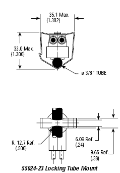
 3NT  产品规格图

主要应用 3NT 突跳式温控开关
 家用电器
  暖通电器设备
  汽车电器领域
  特殊电器应用
  制冷系统
 ....以及更多应用

3NT 产品尺寸图

 

 

      产品首页KILXON ® 联系我们
         上海正源实业有限公司>>> 美国德州仪器公司一级专业代理商 ( 有授权书 )

联系我们:

TEL(电话):  021-  54560423 、64457980    FAX(传真): 
  021- 64734520
                                64734520  、64482182

                                              陈经理手机):  13003155936

电子邮件地址:
E-mail

电子邮箱 -1:  陈经理   peter@zyelectric.com.cn   
电子邮箱 -2 :  孙小姐    sun@zyelectric.com.cn

                                在线联系(QQ)

吴先生  QQ :   231595676
电子邮箱 -3 :  吴工    wu@zyelectric.com.cn

                                         公司地址:

  上海市茂名南路 133 5 号    邮编: 200020

                                               网址:   

   http:/www.zyelectric.com.cn/